| Description | Off Delay (Normally Open) |
| Port Type | 10-32 Bottom Ported |
| Timing Range | 0.5 to 60 sec. |
| Operating Pressure Range | 25 to 145 psi |
| Connections | 10-32 (M5) ports |
| Media | Filtered air, non lubricated. |
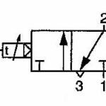
| Operating Valve | 3 way – internal exhaust Orifice size – 2 mm Cv -0.13 Flow at 100 psi – 7 CFM |
| Timing Start | Application of pilot (or Line) pressure to control port |
| Reset | By removal of pilot (or Line) signal – independent of whether the time interval has elapsed or not. |
| Reset Time | 200 ms. |
| Repeatability | ? 2% of selected time |
| Time Setting | Via Adjustment Knob |
| Operation | Timing cycle uses atmospheric pressure drawn into vacuum. |
| Air Consumption | During timing cycle only – 0.01 CFM |
| Materials | Polyamide Housing Aluminum Base Buna N Seals |
| Operating Ambient | -10 to 60 ?C 14 to 140 ?F |
| Height | 4 1/8 in. |
| Width | 1 1/2 in. |
| Length | 2 3/4 in. |
| Weight | 15 oz. |
| Mounting | Via 4 holes in base |
1/8 Side Ported Timers:? Side ported timers are supplied with a 10/32 and 1/8 port plug to set up preferred connections.
For a separate (isolated) pilot signal, insert a 10-32 plug into the internal port (inside port 12 or 10). Use loctite or equal to seal the port. Then connect a separate pilot input signal at port 12 (10). Discard the 1/8 plug.
For using the same source as the supply for the output valve and pilot signal, plug port 12 (10) using the 1/8 plug and connect the switched air supply to port 1. Discard the 10-32 plug.
10-32 (M5) Bottom Ported Timers: Timer is supplied only with separate (isolated) control input signal port. Connections are located on the underside of the timer base.
The bottom ported timer can be panel mounted using (2) M3 threaded inserts on the top cover.
Power Connections:? For installations requiring larger output valves, use the standard timer and connect a pneumatically operated single air piloted 3 or 4 way valve of the size required to the timer output. Contact factory with size requirements.
Typical Circuits:? See typical timing circuit diagrams at the end of the timer catalog section for help in constructing pneumatic timer circuits.
- CAD Drawings









There are no reviews yet.